首页
|
关于永明
|
产品与解决方案
|
技术支持
|
研发与技术
|
联系我们
产品系列
模块电源
CPCI电源
加固计算机电源
冗余式服务器电源
安装式电源
便携式加固机适配器
不间断电源
逆变及变频电源
程控电源
专用电源
产品服务
量体裁衣
专用电源
首页
>> 专用电源
航空专用电源
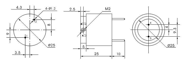
产品描述